1.550 rsd
Kôd2232
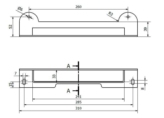
Dimenzija: 310x65 mm #3.0mm







